| Availability: | |
|---|---|
| Quantity: | |
Speed
The prime function of a rotary airlock is to regulate the flow from one chamber to another while maintaining a good airlock condition.
The product is mainly in dry powder or granular form. In the dust filtration field, a good airlock is essential on cyclone and bag filter applications in order that the manufacturers quoted high dust collection efficiencies can be maintained.
Airlocks are also important in the pneumatic conveying industry, where product is regulated into a pressure or vacuum conveying line while minimising air leakage.
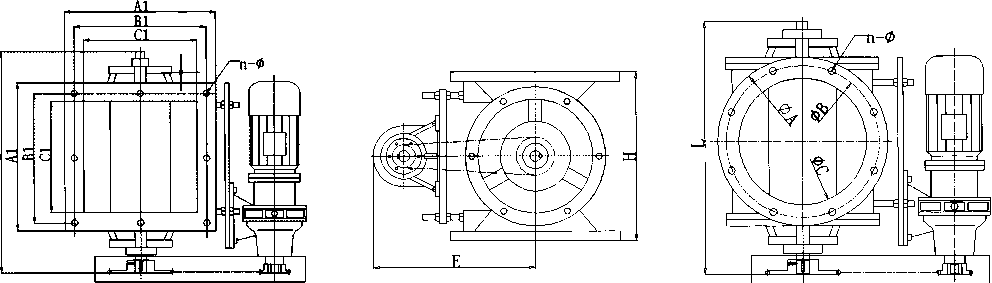
With there are no double standards, all our standard rotary valves and airlocks are precision machined for close tolerances and minimal eccentricities. Pressure is 0.2Mpa and temperatures to 380℃ are considered the norm and extreme pressures and temperatures can be accommodated with special designs. If your application requires such considerations contact our Engineering team.
Our standard Rotary Airlocks are available with circular or square inlets from 3" up to 20".
type | Volume/rotation | Installation dimension | |||||||||||
ΦA | ΦB | ΦC | A1 | B1 | C1 | E | Motor | Speed | temperature | L | n-Φ (mm) | ||
2type | 2L/T | 240 | 200 | 150 | 240x240 | 200 | 150x150 | 320 | BWD0-0.75-59 | 24 | 280 | 450 | 8-Φ11 |
4type | 4L/T | 280 | 240 | 180 | 270x270 | 230 | 180x180 | 350 | BWD0-0.75-59 | 24 | 280 | 480 | 8-Φ11 |
6type | 6L/T | 300 | 260 | 200 | 290x290 | 250 | 200x200 | 370 | BWD0-0.75-59 | 24 | 280 | 500 | 8-Φ11 |
8type | 8L/T | 320 | 280 | 220 | 310x310 | 270 | 220x220 | 380 | BWD0-0.75-59 | 24 | 280 | 520 | 8-Φ11 |
10type | 10L/T | 340 | 300 | 240 | 330x330 | 290 | 240x240 | 380 | BWD0-0.75-59 | 24 | 280 | 540 | 8-Φ11 |
12type | 12L/T | 360 | 320 | 260 | 350x350 | 310 | 260x260 | 440 | BWD1-0.75-59 | 24 | 280 | 560 | 8-Φ17 |
14type | 14L/T | 380 | 340 | 280 | 370x370 | 330 | 280x280 | 450 | BWD1-1.1-59 | 24 | 280 | 580 | 8-Φ17 |
16type | 16L/T | 400 | 360 | 300 | 400x400 | 350 | 300x300 | 460 | BWD1-1.5-59 | 24 | 280 | 600 | 8-Φ17 |
18type | 18L/R | 420 | 380 | 320 | 420x420 | 370 | 320x320 | 480 | BWD1-1.5-59 | 24 | 280 | 620 | 8-Φ17 |
20type | 20L/T | 440 | 400 | 340 | 440x440 | 390 | 340x340 | 500 | BWD1-1.5-59 | 24 | 280 | 640 | 8-Φ17 |
26type | 26L/T | 500 | 460 | 400 | 510x510 | 450 | 400x400 | 530 | BWD2-2.2-59 | 24 | 280 | 700 | 12-Φ17 |
30type | 30L/T | 560 | 500 | 440 | 550x550 | 495 | 440x440 | 550 | BWD2-3-59 | 24 | 280 | 760 | 12-Φ17 |
40type | 40L/T | 620 | 558 | 500 | 620x620 | 558 | 500x500 | 560 | BWD2-4-59 | 24 | 280 | 820 | 12-Φ17 |
50type | 50L/T | 650 | 600 | 540 | 650x650 | 600 | 540x540 | 580 | BWD4-4-59 | 24 | 280 | 850 | 12-Φ17 |
Speed’s Heavy Duty Rotary Airlocks are manufactured in accordance with NFPA 69 Standards for use as deflagration isolation by flame quenching and material blocking.
All valves are manufactured in either Cast Iron or Stainless Steel from 6” to 24” diameter. Airlocks come with 6-12 vane fabricated steel rotors with close tolerance to the housing bore and end covers with at least 2 vanes on each side of the valve housing in position of minimum clearance at all times.
We offer special motors and switches as needed for the hazardous area environment.
Up to 380℃ with standard components
Up to 0.2Mpa pressure
Cast Iron or stainless steel construction
Direct connection or Chain drive gear-motors (choice of speed)
The HD-Series rotary airlock valve can be used for many different materials and specific applications, including baking soda, wood chips, lactose, zinc oxide, kaolin clay, fish meal, donut mix, polymer resin, nickel oxide, sugar, cement, soybean meal and many others such as the following:
Powder
Acetate Flake
Ammonium Alumina
Atomite
Baking Soda
Bauxite
Bone (Coarse Ground)
Bone Meal
Borax Powder
Cake (Copra Ground)
Calcium Carbonate
Carbon Black
Carbon Powder (Activated)
Cement
Charcoal (Ground)
Coal Dust
Coal (Pulverized)
Coconut (Shredded or Flake)
Coffee (Ground)
Coffee (Instant)
Corn (Cracked)
Corn Meal
Corn (Whole)
Cremora Powder
Dicalcium Phosphate
Digitalis Leaves
Disodium Phosphate
Donut Mix
Farina
Fish Meal
Fish Scrap
Flax Seed
Flock (Cellulose)
Flour (Wheat)
Fly Ash
Gilsonite
Gluten Meal
Grain (Brewers)
Grits (Corn)
Hominy Meal
Hominy (Whole)
Ice (Crushed)
Ink Pigment
Iron Oxide Pigment
Kaolin Clay
Lactose
Lime (Hydrated)
Malamine Powder
Milk (Powdered)
Mustard Powder
Mustard Seed (Unground)
The prime function of a rotary airlock is to regulate the flow from one chamber to another while maintaining a good airlock condition.
The product is mainly in dry powder or granular form. In the dust filtration field, a good airlock is essential on cyclone and bag filter applications in order that the manufacturers quoted high dust collection efficiencies can be maintained.
Airlocks are also important in the pneumatic conveying industry, where product is regulated into a pressure or vacuum conveying line while minimising air leakage.
With there are no double standards, all our standard rotary valves and airlocks are precision machined for close tolerances and minimal eccentricities. Pressure is 0.2Mpa and temperatures to 380℃ are considered the norm and extreme pressures and temperatures can be accommodated with special designs. If your application requires such considerations contact our Engineering team.
Our standard Rotary Airlocks are available with circular or square inlets from 3" up to 20".
type | Volume/rotation | Installation dimension | |||||||||||
ΦA | ΦB | ΦC | A1 | B1 | C1 | E | Motor | Speed | temperature | L | n-Φ (mm) | ||
2type | 2L/T | 240 | 200 | 150 | 240x240 | 200 | 150x150 | 320 | BWD0-0.75-59 | 24 | 280 | 450 | 8-Φ11 |
4type | 4L/T | 280 | 240 | 180 | 270x270 | 230 | 180x180 | 350 | BWD0-0.75-59 | 24 | 280 | 480 | 8-Φ11 |
6type | 6L/T | 300 | 260 | 200 | 290x290 | 250 | 200x200 | 370 | BWD0-0.75-59 | 24 | 280 | 500 | 8-Φ11 |
8type | 8L/T | 320 | 280 | 220 | 310x310 | 270 | 220x220 | 380 | BWD0-0.75-59 | 24 | 280 | 520 | 8-Φ11 |
10type | 10L/T | 340 | 300 | 240 | 330x330 | 290 | 240x240 | 380 | BWD0-0.75-59 | 24 | 280 | 540 | 8-Φ11 |
12type | 12L/T | 360 | 320 | 260 | 350x350 | 310 | 260x260 | 440 | BWD1-0.75-59 | 24 | 280 | 560 | 8-Φ17 |
14type | 14L/T | 380 | 340 | 280 | 370x370 | 330 | 280x280 | 450 | BWD1-1.1-59 | 24 | 280 | 580 | 8-Φ17 |
16type | 16L/T | 400 | 360 | 300 | 400x400 | 350 | 300x300 | 460 | BWD1-1.5-59 | 24 | 280 | 600 | 8-Φ17 |
18type | 18L/R | 420 | 380 | 320 | 420x420 | 370 | 320x320 | 480 | BWD1-1.5-59 | 24 | 280 | 620 | 8-Φ17 |
20type | 20L/T | 440 | 400 | 340 | 440x440 | 390 | 340x340 | 500 | BWD1-1.5-59 | 24 | 280 | 640 | 8-Φ17 |
26type | 26L/T | 500 | 460 | 400 | 510x510 | 450 | 400x400 | 530 | BWD2-2.2-59 | 24 | 280 | 700 | 12-Φ17 |
30type | 30L/T | 560 | 500 | 440 | 550x550 | 495 | 440x440 | 550 | BWD2-3-59 | 24 | 280 | 760 | 12-Φ17 |
40type | 40L/T | 620 | 558 | 500 | 620x620 | 558 | 500x500 | 560 | BWD2-4-59 | 24 | 280 | 820 | 12-Φ17 |
50type | 50L/T | 650 | 600 | 540 | 650x650 | 600 | 540x540 | 580 | BWD4-4-59 | 24 | 280 | 850 | 12-Φ17 |
Speed’s Heavy Duty Rotary Airlocks are manufactured in accordance with NFPA 69 Standards for use as deflagration isolation by flame quenching and material blocking.
All valves are manufactured in either Cast Iron or Stainless Steel from 6” to 24” diameter. Airlocks come with 6-12 vane fabricated steel rotors with close tolerance to the housing bore and end covers with at least 2 vanes on each side of the valve housing in position of minimum clearance at all times.
We offer special motors and switches as needed for the hazardous area environment.
Up to 380℃ with standard components
Up to 0.2Mpa pressure
Cast Iron or stainless steel construction
Direct connection or Chain drive gear-motors (choice of speed)
The HD-Series rotary airlock valve can be used for many different materials and specific applications, including baking soda, wood chips, lactose, zinc oxide, kaolin clay, fish meal, donut mix, polymer resin, nickel oxide, sugar, cement, soybean meal and many others such as the following:
Powder
Acetate Flake
Ammonium Alumina
Atomite
Baking Soda
Bauxite
Bone (Coarse Ground)
Bone Meal
Borax Powder
Cake (Copra Ground)
Calcium Carbonate
Carbon Black
Carbon Powder (Activated)
Cement
Charcoal (Ground)
Coal Dust
Coal (Pulverized)
Coconut (Shredded or Flake)
Coffee (Ground)
Coffee (Instant)
Corn (Cracked)
Corn Meal
Corn (Whole)
Cremora Powder
Dicalcium Phosphate
Digitalis Leaves
Disodium Phosphate
Donut Mix
Farina
Fish Meal
Fish Scrap
Flax Seed
Flock (Cellulose)
Flour (Wheat)
Fly Ash
Gilsonite
Gluten Meal
Grain (Brewers)
Grits (Corn)
Hominy Meal
Hominy (Whole)
Ice (Crushed)
Ink Pigment
Iron Oxide Pigment
Kaolin Clay
Lactose
Lime (Hydrated)
Malamine Powder
Milk (Powdered)
Mustard Powder
Mustard Seed (Unground)
